개요
프로그래밍 언어 : 매트랩
과제 수행 날짜 : 2019.12.13
과제 개요 : Simulink로 원본 sound에 delay/chirp effect 등을 적용하여 새로운 sound를 디자인하는 프로젝트
프로젝트 설명
1) Effect
- Equalizer : 특정 주파수 영역의 소리의 크기를 조절하여 소리의 특정 영역의 주파수만 강조하여 듣는 효과

- decay effect : 아래와 같은 그래프를 이용하여 끝으로 갈수록 소리가 작아지는 효과
![]() |
![]() |
| decay effect graph | simulink 에서의 예시 |
![]() |
![]() |
| decay 전 | decay 후 |
-> 원본 소리에 비해 끝으로 갈수록 작아지는 효과가 적용되었다.
- chirp effect : 아래 그래프와 같이 시간이 지남에 따라 주파수가 변화하는 효과.
이때 시간이 지남에 따라 주파수가 증가하면 up chirp, 주파수가 감소하면 down chirp이다.
![]() |
![]() |
| chirp graph | simulink에서의 예시 |
![]() |
![]() |
| chirp 전 | chirp 후 |
-> 위에서 본 chirp graph가 원본소리에 적용되었다.
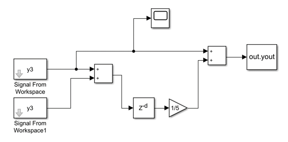
- delay effect : 시간차를 두고 같은 소리를 한 번 더 반복해서 마치 메아리 치는 것과 같은 효과

![]() |
![]() |
| delay 전 | delay 후 |
-> 원본 소리 중간에 원본보다 조금 작은 소리가 메아리처럼 반복된다.
- notch : 특정 주파수를 없애는 효과


-> 낮은 주파수의 소리에 notch를 적용한 모습이다.
2) My Sound
위의 효과들을 적용하여 만든 나만의 Sound. 원본 소리는 지퍼를 올렸다 내리는 소리이다.
- My Design 1 : equalizer를 이용하여 높은 주파수의 소리를 강조하고, delay effect를 적용하여 메아리 치는 것과 같은 효과를 추가했다.

- My Design 2 : 원본 소리에 random source를 delay 시킨 후에 add했다.

- My Design 3 : 원본 소리에 chirp 신호를 add 하였다.

- My Design 4(Spaceship) : chirp 신호를 이용하여 처음에는 up chirp로 시작하여, delay를 조금 준 후에, 주파수가 감소하는 down chirp 소리를 발생시켜서 마치 우주선을 비행하는 것 같은 소리를 디자인했다.

결과
'프로젝트 & 과제 > 2학년' 카테고리의 다른 글
| 단기 SW 보조 강사 2 (0) | 2022.01.18 |
|---|---|
| [랜덤] Monte Carlo Project (0) | 2022.01.16 |
| [랜덤] 랜덤 수 생성기 (0) | 2022.01.15 |
| [선형] PCA 얼굴 인식 (0) | 2022.01.14 |
| [선형] 태양계 애니메이션 구현 (0) | 2022.01.13 |









